
13712652500
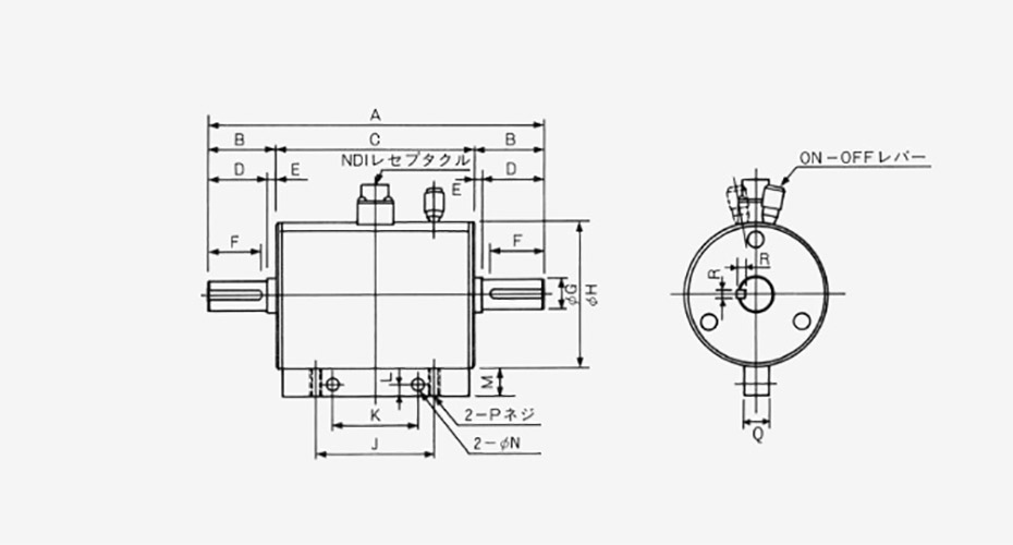
| 型式 | 定格容量(N・m) | A | B | C | D | E | F | φG | φH | N | J | K | L | M | P | Q | R | 最高回转数(r.p.m) | 质量(kg) |
| TCR-10N | 10 | 203 | 43 | 117 | 38 | 5 | 35 | 18 | 85 | 7 | 70 | 50 | 7 | 17 | M6 | 15 | 5×5 | 4500 | 2.4 |
| TCR-20N | 20 | 203 | 43 | 117 | 38 | 5 | 35 | 18 | 85 | 7 | 70 | 50 | 7 | 17 | M6 | 15 | 5×5 | 4500 | 2.4 |
| TCR-50N | 50 | 203 | 43 | 117 | 38 | 5 | 35 | 18 | 85 | 7 | 70 | 50 | 7 | 17 | M6 | 15 | 5×5 | 4500 | 2.4 |
| TCR-100N | 100 | 240 | 55 | 130 | 50 | 5 | 45 | 32 | 100 | 7 | 90 | 50 | 7 | 17 | M6 | 15 | 10×8 | 4000 | 4.1 |
| TCR-200N | 200 | 240 | 55 | 130 | 50 | 5 | 45 | 32 | 100 | 7 | 90 | 50 | 7 | 17 | M6 | 15 | 10×8 | 4000 | 4.1 |
| TCR-500N | 500 | 340 | 95 | 150 | 90 | 5 | 85 | 47 | 118 | 9 | 100 | 60 | 8 | 20 | M8 | 17 | 12×8 | 3000 | 8.3 |
| TCR-1000N | 1000 | 340 | 95 | 150 | 90 | 5 | 85 | 47 | 118 | 9 | 100 | 60 | 8 | 20 | M8 | 17 | 12×8 | 3000 | 8.3 |
| TCR-2000N | 2000 | 360 | 106 | 148 | 100 | 6 | 95 | 63 | 131 | 9 | 100 | 60 | 8 | 20 | M8 | 17 | 18×7 | 2900 | 12.3 |
热线
13712652500
QQ
516542591
邮箱
dgweste@163.com
地址
广东省东莞市长安镇新安社区街口朗尾路4号谷力科技园4栋四楼